一、實訓目的
1、掌握三相異步電動機的空載、短路和負載試驗的方法。
2、用直接負載法測取三相鼠籠式異步電動機的工作特性。
3、測定三相鼠籠式異步電動機的參數。
二、預習要點
1、異步電動機的工作特性指哪些特性?
2、異步電動機的等效電路有哪些參數?它們的物理意義是什么?
3、異步電動機的工作特性和參數的測定方法。
三、實訓項目
1、空載試驗。
2、短路試驗。
3、負載試驗。
四、實訓方法
1、實訓設備
| 序 號 | 型 號 | 名 稱 | 數 量 |
| 1 | DQ03-1 | 導軌、光電測速系統及轉速表 | 1件 |
| 2 | DQ19 | 校正過的直流電機 | 1臺 |
| 3 | DQ10 | 三相鼠籠異步電動機 | 1臺 |
| 4 | GDQ25 | 交流參數表 | 1件 |
| 5 | DQ22 | 直流數字電壓、毫安、安培表 | 1件 |
| 6 | DQ27 | 三相可調電阻器 | 1件 |
| 7 | DQ31C | 熔斷器及開關板 | 1件 |
2、屏上掛件排列順序
GDQ25、DQ22、DQ27、DQ31C
3、空載試驗
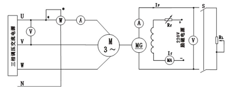
(1)按圖3-3接線。電機繞組為Δ接法(UN=220V),直接與光電測速系統同軸聯接,不聯接校正直流測功機DQ19。
(2) 把交流調壓器調至電壓最小位置,接通電源,逐漸升高電壓,使電機起動旋轉,觀察電機旋轉方向。并使電機旋轉方向為正轉(如轉向不符合要求需調整相序時,必須切斷電源)。
(3) 保持電動機在額定電壓下空載運行數分鐘,使機械損耗達到穩定后再進行試驗。

圖3-3 三相鼠籠式異步電動機試驗接線圖
(4) 調節電壓由1.2倍額定電壓開始逐漸降低電壓,直至電流或功率顯著增大為止。在這范圍內讀取空載電壓、空載電流、空載功率。
(5) 在測取空載實訓數據時,在額定電壓附近多測幾點,共取7~9組數據記錄于表3-4中(注:實訓中通過測PⅠ,估算P0,P0=3PⅠ,即利用三表法求三相總功率,cosφ0= P0/S)。
表3-4
| 序號 | U0L(V) | I0L(A) | PⅠ(W) | P0(W) | cosφ0 |
| 1 | |||||
| 2 | |||||
| 3 | |||||
| 4 | |||||
| 5 | |||||
| 6 |
(1) 測量接線圖同圖3-3。用制動工具扳手將三相電機轉子堵住。
(2) 調壓器退至零,按下啟動按鈕,接通交流電源。調節控制屏左側調壓器旋鈕使之逐漸升壓至短路電流到1.2倍額定電流,再逐漸降壓至0.3倍額定電流為止。
(3) 在這范圍內讀取短路電壓、短路電流、短路功率。
(4) 共取5~6組數據記錄于表3-5中(注:實訓中通過測PⅠ,估算P0,P0=3PⅠ,即利用三表法求三相總功率,cosφK = PK /S)。
表3-5
| 序號 | UKL(V) | IKL(A) | PⅠ(W) | PK(W) | cosφK |
| 1 | |||||
| 2 | |||||
| 3 | |||||
| 4 | |||||
| 5 | |||||
| 6 |
(1) 測量接線圖同圖3-3。同軸聯接負載電機。圖中Rf用DQ27上1800Ω阻值,RL用DQ27上1800Ω阻值加上900Ω并聯900Ω共2250Ω阻值,S選用DQ31C。
(2) 按下啟動按鈕,接通交流電源,調節調壓器使之逐漸升壓至額定電壓220V并保持不變。
(3) 合上校正過的直流電機的勵磁電源,調節Rf使勵磁電流至校正值(100mA)并保持不變。
(4) 合上開關S,調節負載電阻RL(注:先調節1800Ω電阻,調至零值后用導線短接再調節450Ω電阻),使異步電動機的定子電流逐漸上升,直至電流上升到1.25倍額定電流。
(5) 從這負載開始,逐漸減小負載直至空載(即斷開開關S),在這范圍內讀取異步電動機的定子電流、輸入功率、轉速、校正直流測功機的負載電流IF等數據。
(6) 共取8~9組數據記錄于表3-6中。
表3-6 U1=U1N=220V(Δ) If= mA
| 序號 | I1L(A) | PⅠ(W) | P1(W) | IF(A) | T2(N·m) | n(r/min) |
| 1 | ||||||
| 2 | ||||||
| 3 | ||||||
| 4 | ||||||
| 5 | ||||||
| 6 | ||||||
| 7 | ||||||
| 8 |
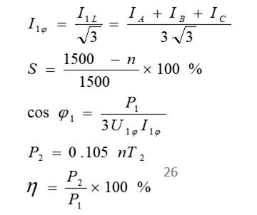
1、作空載特性曲線:I0L、P0、cosφ0=f(U0L)
2、作短路特性曲線:IKL、PK=f(UKL)
3、由空載、短路實訓數據求異步電機的等效電路參數。
(1) 由短路實訓數據求短路參數
短路阻抗:
短路電抗:
式中 ,PK——分別為電動機堵轉時的相電壓,相電流,三相短路功率(Δ接法)。
轉子電阻的折合值:
式中r1C是沒有折合到75℃時實際值。
≈ ≈
式中 ,P0——分別為電動機空載時的相電壓、相電流、三相空載功率(Δ接法)。
式中PFe為額定電壓時的鐵耗,由圖3-4確定。

圖3-4 電機中鐵耗和機械耗
4、作工作特性曲線P1、I1、η、S、cosφ1=f(P2)。
由負載試驗數據計算工作特性,填入表2-7中。
表2-7 U1=220V(Δ) If = mA
|
序 號 |
電動機輸入 | 電動機輸出 | 計 算 值 | |||||
|
(A) |
P1 (W) |
T2 (N·m) |
n (r/min) |
P2 (W) |
S (%) |
η (%) |
cosφ1 | |

S——轉差率;
η——效率。
六、思考題
1、由空載、短路實訓數據求取異步電機的等效電路參數時,有哪些因素會引起誤差?
2、從短路實訓數據我們可以得出哪些結論?


